Stop - Start System im Ascona
Im Ascona C mit 13S Motor wurde ab Modelljahr 1985 ein "Stop-Start-System" angeboten. Ziel war die Senkung des Spritverbrauchs. Um dieses Ziel zu erreichen wurde das Stop - Start - System auch nur in Verbindung mit einem 5 - Gang Schongetriebe angeboten. Opel spricht von einem Minderverbrauch von 10%.
Vor allem im Stop and Go Verkehr in der Stadt sollte dieses System mit Sprit geizen. Dies wurde erreicht, in dem bei definierten Situationen der Motor gestoppt wurde. Folgende Vorraussetzungen mußten erfüllt werden:

Wenn alle genannten Faktoren erfüllt sind, wird an der Zündspule die Spannung an Klemme 1 unterbrochen und der Motor geht somit aus. Zu dem wird das eingeschaltete Licht ausgeschaltet. Damit das Stop - Start - System erstmalig während der Fahrt eingesetzt werden kann, muß der Motor über 500U/min drehen.
Vor allem aber muß der Hauptschalter eingeschaltet sein. Dieser befindet sich am Armaturenbrett rechts neben dem Lichtschalter. Damit kann das System aktiviert oder deaktiviert werden.

Damit nach dem Stoppen des Motors dieser wieder anspringt, muß der Motor fast den Stillstand erreicht haben und die Kupplung muß getreten werden.
Als Funktionskontrolle dienen die Kontrollleuchten für Zündung und Öldruck.
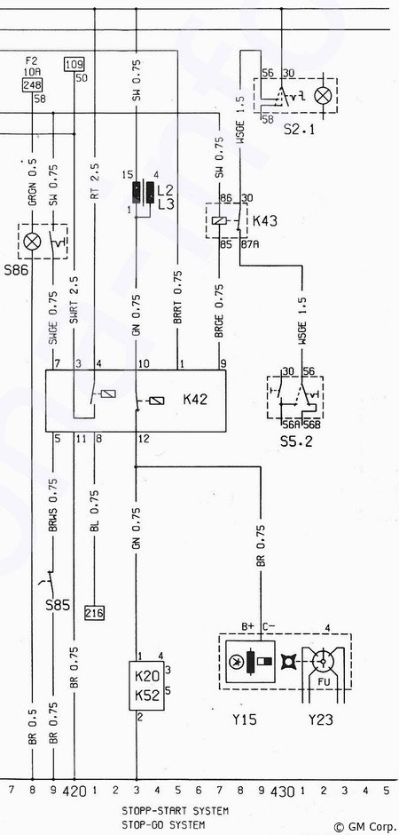
Das Stop - Start - System ist selbstüberwachend und schaltet sich bei einem Fehler ab. Der Rest des Ascona bleibt davon unbehelligt und kann weiter genutzt werden. Das Steuerteil, welches unter anderem diese Überwachung durchführt, befindet sich beim Ascona C an der Handschuhfachunterseite.
Folgende Komponenten gehören zum Stop - Start - System:
| Steuergerät Stop/Start (unter Handschuhfach) | K42 |
| Relais Stop/Start für Lichtabschaltung | K43 |
| Schalter Kupplungspedal (oben am Kupplungspedal) | S85 |
| Schalter Stop/Start - System an/aus (rechts neben Lichtschalter) | S86 |
| Lichtschalter | S2.1 |
| Schalter Abblendlicht | S5.2 |
| Zündungsmodul (Motorraum) | K20 / K52 |
| Zündspule (Motorraum) | L2 / L3 |
| Induktivgeber m. Zündungsmodul (Motorraum) | Y15 |
| Zündverteiler (Motorraum) | Y23 |
Das Stop-Start System konnte einzeln zu einem Aufpreis von 166,- DM für den Ascona C mit 1.3S Motor und 5-Gang Getriebe geordert werden.
Weiterhin war es aber auch Teil des Kraftstoffsparpakets, welches aus folgenden Komponenten bestand:
Aufpreis Modelljahr 1985: 640,- DM für Ascona LS/GL, 564,- DM für Ascona GLS
Aufpreis Modelljahr 1986: 665,- DM für Ascona LS/GL, 586,- DM für Ascona GLS
Verbrauchsersparnis
| 13S mit 4-Gang | 13S mit 5-Gang | 13S mit 5-Gang Stop-Start-System | |
| Verbrauch bei Stadtverkehr | 8.9 | 9.1 | 7.9 |
| Verbrauch bei 90 km/h | 5.8 | 5.4 | 5.3 |
| Verbrauch bei 120 km/h | 7.8 | 7.4 | 7.2 |
Der zusätzliche technische Aufwand, der Aufpreis von 166,- DM, die Ungewissheit, ob alles richtig funktioniert und nicht zuletzt der Siegeszug der Katalysator- und Einspritztechnik haben dem System letztlich wohl den Garaus gemacht.
Wobei dieses System in den letzten Jahren aus der Kiste gekramt wurde, immer strengere Abgasnormen fordern ihren Tribut. So wird das Stop-Start System mittlerweile bei fast allen Herstellern zur Senkung des Verbrauchs, und somit des CO2 Ausstoßes eingesetzt.

Kleines Kuriosum am Rande:
Im damaligen Ascona Prospekt zum Modelljahr 1985 wird auf den Seiten 5 und 6 der Innenraum eines Ascona GLS gezeigt. Interessant dabei ist die Tatsache, daß es sich dabei um ein Modell mit Automatik und(!) Stop - Start - System handelt. Spätestens beim Re Start mittels Kupplungspedal wird es wohl ein Problem gegeben haben...
Allerdings sind solche Fehler in Opelprospekten auch keine Seltenheit...
